
Straßenschrauber hat geschrieben:Beim Anklicken gibt es nach dem Widerstand am Totpunkt ganz kurz danach noch einen großen Widerstand.
Wenn ich den mit viel Gewalt überwinden, gibt's eine beeindruckende Fehlzúndung.
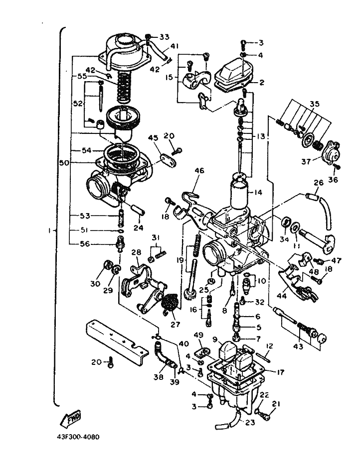
Genau so.motorang hat geschrieben:Gas zumachen mit dem Gasgriff ging, hatte aber keine Wirkung?
Matthieu hat geschrieben:Dreckbratze hat geschrieben:Moin. Das mit dem Hochdrehen und Abwürgen müssen (kein Killschalter) hatte ich bei der MZ wg. durchgeschliffenem Vergaserschieber
Gleiches Thema hatte ich vor zwei Jahren im Winter in Norwegen mit der MZ.
Der Führungsstift vom Vergaserschieber war plötzlich verschwunden. Und somit blieb der Vergaser bei Vollgas stehen da der Schieber konisch ist und somit nicht mehr in seine Position zurück konnte.








und Probefahrt später.Zurück zu Gästebuch und Quasselecke
Mitglieder in diesem Forum: 0 Mitglieder