ich brauch mal Hilfe:
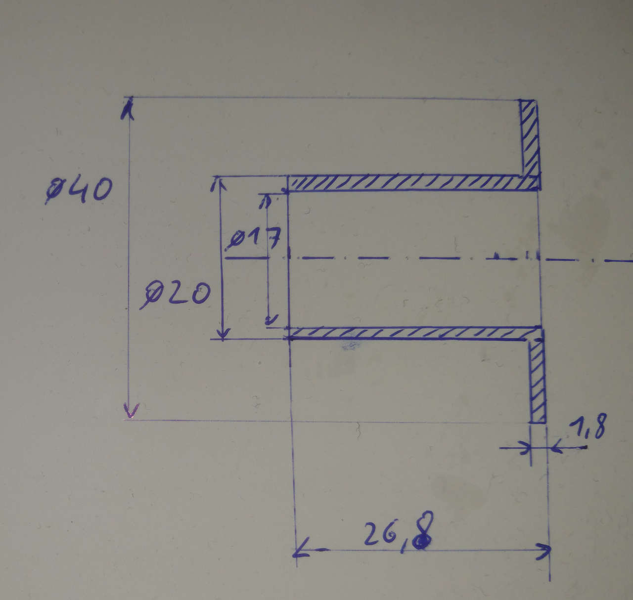
Um meine TT auf ein XT-Hinterrad umzubauen, benötige ich 2 Adapter:
Material: Stahl oder Edelstahl, was grad da ist.
Toleranzen: Wurfpassung reicht, +-0,1mm überall oder so.
Außerdem müsste die Achse um 18mm gekürzt und das Gewinde um 18mm weitergeschnitten werden. Toleranz: Pff, +-1mm oder so.
Dann brauch der Kettenblattträger noch Liebe:
1. Ein Riß müsste geschweißt werden.
2. Er müsste oben abgefräst/gedreht werden, damit der Lagersitz nurnoch 15mm tief ist.
Wer mag sich das antun?
Gruß,
Richard


