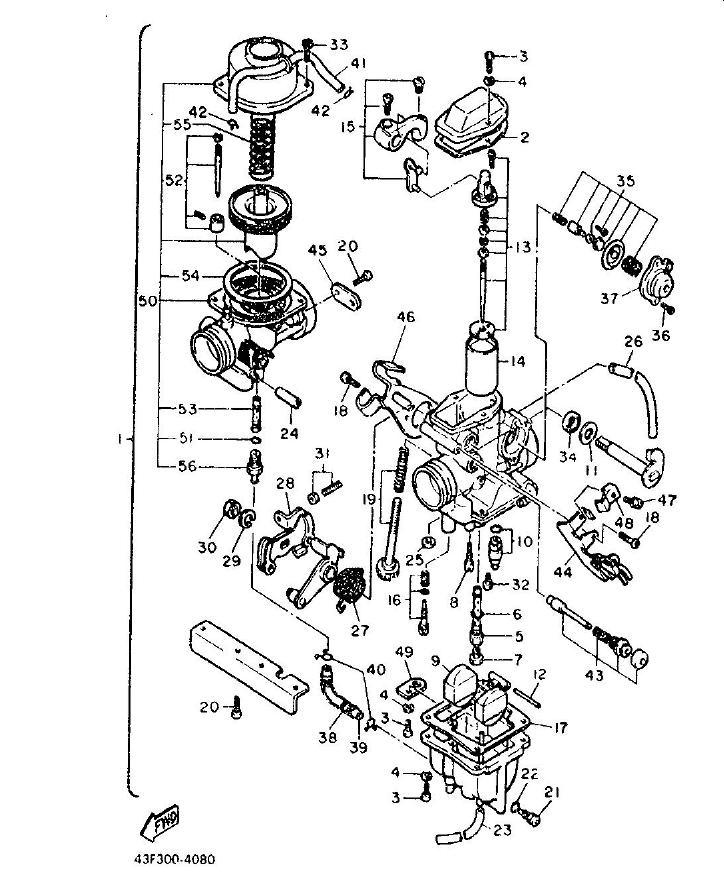
Hier liegt ein Konglomerat diverser XT600-Vergaserteile.
Einiges davon ist für die 43f, Gleichdruckvergaser ohne Membran.
Andere kann ich nicht einordnen.
Weiß wer, welche Außendurchmesser zylinder- und luftfilterseitig die Vergaser der XT600 haben?

Da find ich nur was zu den Membran-Vergasern: https://www.xt600.de/xt_werkstatt/+spec ... rgaser.htmNanno hat geschrieben:Auf XT600 in den Vergaser-Seiten ist was drin.
Zurück zu Alteisentreiberisches