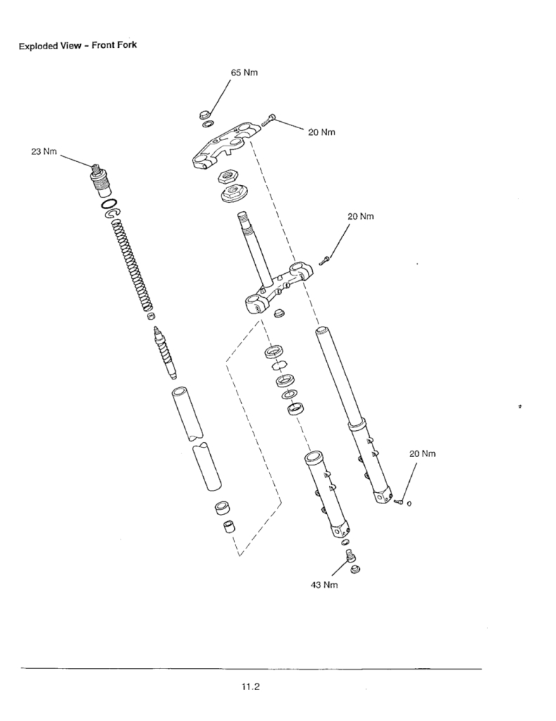
Dienstag hab ich bei der Triumph Speed Four die Gabelsimmeringe gewechselt.
Ist eine richtigrum Gabel mit einstellbarer Zug-u. Druckstufe.
War eigentlich relativ Drama frei, abgesehen davon, dass ich seither im linken Gabelhom saugende Geräusche beim voll einfedern höre.
Heute die Gabel mehrmals in Schritten zerlegt und wieder zusammengebaut, das Geräusch ist aber immer noch da. Auch noch den rechten Hom zerlegt umzu sehen ob irgendwelche Teile falsch oder in falscher Reihenfolge montiert sind, aber nada beide Holme sind identisch zusammengebaut, nur aus dem linken kommen eben die saugenden Geräusche.
Luftsäule auf 132mm eingestellt, alle Teile sind geputzt, die Löcher alle im ganzen Querschnitt frei, federn auch beide beim manuell zusammmendrücken gefühlt gleich schnell und stark aus.
Hat jemand einen Tipp was ich übersehen hab.


Saarbrücken ? Insel ?