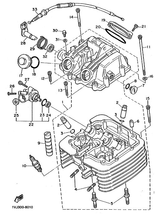
ketten_saeger hat geschrieben:Also mein 1VJ-Kopf hatte definitv keinen Schlauanschluss. Ist dein 1VJ-Motor zusammengebastelt oder komplett original?
Grüße
ketten_saeger
Ah sorry
Modelle verwechselt - 34L wollt ich schreiben
Hier die 1VJ, da sitzt der Anschluss stattdessen unten am Motorblock neben der Kurbelgehäuseentlüftung:
Gryße!
Andreas, der motorang



, merke: das Sieb immer aufmachen und säubern....