Mal was Neues :SR 500 geht nicht mehr aus

Hier geht es um AiA-taugliche Motoren, Maschinen, Fahrzeuge. Wyrdiges Zeug kwasi :D

Mal was Neues :SR 500 geht nicht mehr aus

Beitragvon Schmuddliger Typ » Do 20 Jul, 2023 18:06

Hi!
Seit gestern geht Silkes SR nur
Mit abwürgen aus!
Zündschloss ist draußen, keine Verbindung rotes und braunes Kabel.
Plus an der Zündspule hat Keine Spannung, erst beim Kicken. Der
Funken ist wunderbar.
Ist ein Schluss in der Limawicklung eine
Mögliche Ursache??
Tipps bitte,
Der Schmuddlige
Stefan
Benutzeravatar
Schmuddliger Typ
Wenigschreiber
 
Beiträge: 606
Registriert: Fr 08 Feb, 2008 23:37
Wohnort: maulbronn

Re: Mal was Neues :SR 500 geht nicht mehr aus

Beitragvon SR oldman » Do 20 Jul, 2023 19:02

Hi Stefan,

Zündung bei einer originalen SR hat nix mit dem Lichtstromkreis zu tun.

Schau / such nach dem schwarz/weißen Kabel (B/W) ...das schließt im Zündschloß oder auch im Killschalter gegen schwarz die CDI kurz. Evtl. hat dieses da bei den Schaltern, den Steckverbindern im Lampentopf oder im Kabelbaum einen Kabelbruch, einfach mal durchmessen. Ich tät auch den 3 pol. CDI Stecker in Augenschein nehmen.

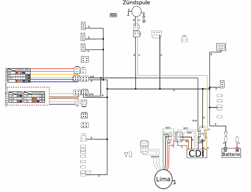
Hier noch der Schaltplan für die Zündung

Zündstromkreis.GIF
Gruss
Peter

Ich liebe es ...wenn ein Plan funktioniert

O0l d m a n ' s0 0S c h r a u b e0r e c k e
Benutzeravatar
SR oldman
Vielschreiber
 
Beiträge: 1330
Registriert: Fr 03 Feb, 2017 20:41

Re: Mal was Neues :SR 500 geht nicht mehr aus

Beitragvon Schmuddliger Typ » Do 20 Jul, 2023 19:11

Wenn mit Schwarz an schwarz - weiß Was nicht paßt geht sie nicht aus?
Benutzeravatar
Schmuddliger Typ
Wenigschreiber
 
Beiträge: 606
Registriert: Fr 08 Feb, 2008 23:37
Wohnort: maulbronn

Re: Mal was Neues :SR 500 geht nicht mehr aus

Beitragvon Rei97 » Fr 21 Jul, 2023 07:01

Also:
Ist ein Killschalter verbaut? Dort wird bei OFF schwarz/weiß auf schwarz gelegt und der Motor geht aus, aber auch nicht mehr an.
Ist kein Akku und ein Kondensator verbaut, kann bei Motorstillstand kein + auf der Zündspule sein.
Beim Kicken entsteht durch den Drehstrom + Gleichrichter Spannung zur CDI und ein Zündfunke entsteht.
Regards
Rei97
Perfection is achieved not when there is nothing more to add but when there is nothing left to take away.(Antoine de Saint-Exupery) :D
Skype: hrei97
Benutzeravatar
Rei97
Vielschreiber
 
Beiträge: 6696
Registriert: Do 23 Jun, 2005 17:34
Wohnort: Spätzlesland

Re: Mal was Neues :SR 500 geht nicht mehr aus

Beitragvon hiha » Fr 21 Jul, 2023 07:15

Rei97 hat geschrieben:Also:
Ist ein Killschalter verbaut? Dort wird bei OFF schwarz/weiß auf schwarz gelegt und der Motor geht aus, aber auch nicht mehr an.
Ist kein Akku und ein Kondensator verbaut, kann bei Motorstillstand kein + auf der Zündspule sein.
Beim Kicken entsteht durch den Drehstrom + Gleichrichter Spannung zur CDI und ein Zündfunke entsteht.
Regards
Rei97


Helmut: Es kann nur dann für Sekundenbruchteile + auf der Zündspule sein, wenn die CDI feuert, sonst nicht.

Der Drehstrom der in den Lichtspulen der LiMa beim Kicken entsteht, hat mit der CDI nix zu tun, er muss für einen Funken auch nicht gleichgerichtet werden. Man kann alle Lichtspulen vom Stator runterzwicken oder den für die Beleuchtung zuständigen Hauptstecker zum Regler hin abstecken, und hat immer noch einen Funken.

Die CDI-Ladespulen (bei der SR sinds zwei) in der LiMa laden den Kondensator in der CDI-Box auf, der Zündfunke wird über die Pickups in der CDI-Box getriggert, ein Thyristor entlädt den Kondensator über die Zündspule.

Damit NICHT gezündet wird, müssen schwarz und Weiß/Schwarz kurzgeschlossen sein, entweder durch den Zünd- oder den Killschalter. Sind sie offen, kann der Motor weiterlaufen.
Gruß
Hans
"Im Übrigen bin ich der Ansicht, dass Profifußball verboten werden muss."
Benutzeravatar
hiha
Älterer Herr und Motorenkenner
 
Beiträge: 18365
Registriert: Fr 28 Okt, 2005 10:01
Wohnort: Neubiberg b. München

Re: Mal was Neues :SR 500 geht nicht mehr aus

Beitragvon Dreckbratze » Fr 21 Jul, 2023 07:43

Also fehlt im "Aus"-Zustand schlicht die Verbindung von s/w auf schwarz.
The idea is to die young as late as possible
Benutzeravatar
Dreckbratze
Vielschreiber
 
Beiträge: 22731
Registriert: Mo 27 Jun, 2005 20:16

Re: Mal was Neues :SR 500 geht nicht mehr aus

Beitragvon SR oldman » Fr 21 Jul, 2023 08:07

Schmuddliger Typ hat geschrieben:Wenn mit Schwarz an schwarz - weiß Was nicht paßt geht sie nicht aus?

...ganz genau :smt023

Dreckbratze hat geschrieben:Also fehlt im "Aus"-Zustand schlicht die Verbindung von s/w auf schwarz.

...bringt es haarscharf auf den Punkt :smt023

Ich halte es für höchst unwahrscheinlich das Zündschloß und Killschalter gleichzeitig defekt werden. Und da ja anscheinend alles andere was im Lampenbereich mit "Masse" (schwarz) zu tun hat funzt (Licht, Blicker, Hupe etc.) gehe ich von einem Defekt beim s/w Kabel aus.

Im ungünstigsten Fall kann auch die CDI einen Defekt haben. Aber hier auch erstmal das s/w Kabel vom Stecker zur CDI in Augenschein nehmen.

ToDo ...3 pol. CDI Stecker unter der Sitzbank und einen der beiden 4 pol. im Lampentopf (siehe Schaltplan) lösen und das s/w Kabel auf Durchgang prüfen ...weiter berichten
Gruss
Peter

Ich liebe es ...wenn ein Plan funktioniert

O0l d m a n ' s0 0S c h r a u b e0r e c k e
Benutzeravatar
SR oldman
Vielschreiber
 
Beiträge: 1330
Registriert: Fr 03 Feb, 2017 20:41

Re: Mal was Neues :SR 500 geht nicht mehr aus

Beitragvon altf4 » Fr 21 Jul, 2023 09:31

hi -

bei der schwarzen lag der fehler hier, genau wie oben beschrieben:

Bild

g max ~:)
"It's a magical world, Hobbes, ol' buddy! Let's go exploring!"
Benutzeravatar
altf4
Vielschreiber
 
Beiträge: 9280
Registriert: Mo 18 Feb, 2008 00:04
Wohnort: devon gb

Re: Mal was Neues :SR 500 geht nicht mehr aus

Beitragvon Schmuddliger Typ » Fr 21 Jul, 2023 13:22

So, die Verwirrung steigt :
-Zündschloss schaltet
-Killschalter schaltet nicht, Durchgang
-3 pol. Stecker hat Durchgang

Dennoch immer Funken beim Durch treten
Benutzeravatar
Schmuddliger Typ
Wenigschreiber
 
Beiträge: 606
Registriert: Fr 08 Feb, 2008 23:37
Wohnort: maulbronn

Re: Mal was Neues :SR 500 geht nicht mehr aus

Beitragvon Schmuddliger Typ » Fr 21 Jul, 2023 17:21

Im Lampentopf schwarz mit
Schwarz /weiß verbunden,
Funkt immer noch!
Ich steh auf dem Schlauch!
Schmuddligen Gruß
Stefan
Benutzeravatar
Schmuddliger Typ
Wenigschreiber
 
Beiträge: 606
Registriert: Fr 08 Feb, 2008 23:37
Wohnort: maulbronn

Re: Mal was Neues :SR 500 geht nicht mehr aus

Beitragvon Dreckbratze » Fr 21 Jul, 2023 17:35

s/w Kabel durchklingeln. Was passiert wenn du das s/w auf Masse legst?
The idea is to die young as late as possible
Benutzeravatar
Dreckbratze
Vielschreiber
 
Beiträge: 22731
Registriert: Mo 27 Jun, 2005 20:16

Re: Mal was Neues :SR 500 geht nicht mehr aus

Beitragvon Schmuddliger Typ » Fr 21 Jul, 2023 17:53

Es funkt!
Ganz egal ob ich brücke oder trenne.
Zündschloss schaltet,
Killschalter hat Durchgang,
Hab ich abgeklemmt.
Funkt auch wenn ich direkt am 3-pol igen Stecker an der CDI brücke
Benutzeravatar
Schmuddliger Typ
Wenigschreiber
 
Beiträge: 606
Registriert: Fr 08 Feb, 2008 23:37
Wohnort: maulbronn

Re: Mal was Neues :SR 500 geht nicht mehr aus

Beitragvon schnupfhuhn » Fr 21 Jul, 2023 18:47

Kabelbruch am Kabelanschluss auf der Platine, gerne genommen. die XLs haben da die Stecker von der Platine abgerappelt, konnte man durch Proxxon in der rechten Hand, auffräsen, dann nachlöten richten.

Oder halt als guten Vorwand für eine Ignitech nehmen ;)
:-) Putzt die Rahmen und stellt sie bereit! :-)
schnupfhuhn
Vielschreiber
 
Beiträge: 4221
Registriert: Fr 29 Mai, 2015 21:03
Wohnort: Wuppertal

Re: Mal was Neues :SR 500 geht nicht mehr aus

Beitragvon Schmuddliger Typ » Fr 21 Jul, 2023 18:50

Morgen mal die CDI tauschen
Benutzeravatar
Schmuddliger Typ
Wenigschreiber
 
Beiträge: 606
Registriert: Fr 08 Feb, 2008 23:37
Wohnort: maulbronn

Re: Mal was Neues :SR 500 geht nicht mehr aus

Beitragvon SR oldman » Sa 22 Jul, 2023 08:14

Echt kurios :roll: ....defekte CDI's soll es aber auch schon gegeben haben. Zum Ausschliessen die CDI mal zu tauschen ist eine gute Option.

Schmuddliger Typ hat geschrieben:Funkt auch wenn ich direkt am 3-poligen Stecker an der CDI brücke


Das s/w Kabel lässt sich bis auf die CDI Leiterplatte prüfen. Man kann zwischen den CDI Kabeln rot und s/w über die Diode D3 auf Durchgang testen.

cdimess.GIF
Gruss
Peter

Ich liebe es ...wenn ein Plan funktioniert

O0l d m a n ' s0 0S c h r a u b e0r e c k e
Benutzeravatar
SR oldman
Vielschreiber
 
Beiträge: 1330
Registriert: Fr 03 Feb, 2017 20:41

Nächste

Zurück zu Alteisentreiberisches

Wer ist online?

Mitglieder in diesem Forum: 0 Mitglieder